ЗУПВ – это устройства, предназначенные для хранения, чтения и записи данных.
Рис. 1. 23. Функциональная схема ЗУПВ
АШ – адресные шины.
РШ – разрядные шины.
MC – Memory Cell (ячейка памяти).
MU – Memory Unit (память).
Доступ к ячейке памяти осуществляется за счет дешифрации адреса строки и адреса столбца.
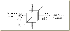
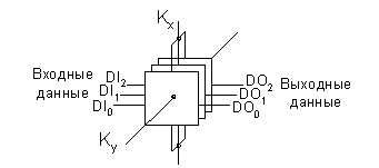
Структурная схема ЗУПВ
Рис. 1. 24. Структурная схема ЗУПВ
