ПЗУ (ROM)


Содержание

Введение

4

Глава 1 Масочные ПЗУ

7

Глава 2 Программируемые ПЗУ

9

Глава 3 Программируемые логические матрицы

14

Глава 4 Программируемая матричная логика

19

Глава 5 Репрограммируемые ПЗУ

21

5.1 Электрически стираемые ППЗУ

22

5.2 Стираемые ППЗУ

29

5.3 FLASH-память

32

Заключение

35

Список использованной литературы

36

  Скачать: 

 

Введение

«ПЗУ» — постоянное запоминающее устройство (по-англ. — ROM — Read Only Memory — память только для чтения). Первые, наиболее старые представители энергонезависимой памяти, действительно использовались в аппаратуре только в режиме чтения, а их запись (программирование) осуществлялась либо в процессе изготовления кристалла, либо перед установкой в аппаратуру с помощью довольно сложного прибора — программатора. В дальнейшем, по мере совершенствования технологии производства и упрощения методов и алгоритмов записи, их современные модификации все чаще стали использовать в приборах и устройствах в режимах записи, стирания и перезаписи. Например, в модулях фискальной памяти кассовых аппаратов, в них заносится итоговая информация о дневной выручке и количестве покупок. В телевизорах ПЗУ используют для хранения различных настроек, а в телефонных аппаратах — для хранения и быстрого набора часто используемых телефонных номеров (записная книжка). Все эти применения противоречат самому смыслу понятия «память только для чтения». Попытки устранить это противоречие привели к обрастанию аббревиатуры «ПЗУ» уточняющими приставками: ППЗУ — программируемые ПЗУ, СППЗУ — стираемые ППЗУ, РПЗУ — репрограммируемые ПЗУ (PROM — Programmable ROM, EPROM — Erasable PROM, EEPROM — Electrically Erasable PROM) и т.д. Однако, наиболее точным обобщающим названием этого класса приборов является «энергонезависимая память».

Типичное условное изображение микросхемы ПЗУ показано на рисунке 1.

В принципе, микросхемы ПЗУ любого типа имеют одинаковые группы сигналов.

1) входные сигналы шины адреса (ША),

2) один или несколько входов «выбор кристалла» CS

(Chip Select),

3) выходные сигналы шины данных (ШД).

Если число разрядов адреса равно 15, то число ячеек памяти равно 215 = 32768. Разрядность ШД равна 8. Таким образом, ёмкость изображённой микросхемы равна 32768х8 или, как обычно говорят 32Кх8 – 32 килобайта.

При включении выходов (обычно CS=«0») при подаче кода адреса на входы – на выходе ШД появится соответствующий код данных.

При CS=«1» – выходы микросхемы в 3-м состоянии.

Соответствующим образом запрограммировав ПЗУ, можно реализовать любую логическую функцию (точнее – комбинационную схему). Входные переменные подавать на адресные входы, а с выходов данных считывать соответствующие значения функции.

Такова логика работы практически всех микросхем ПЗУ. Различие между ними заключается в ёмкости, то есть в количе-стве разрядов адреса и данных. Разница между различными типами ПЗУ заключается и в способе реализации элемента памяти. Ниже будут рассмотрены различные типы ПЗУ.

Глава 1 Масочные ПЗУ (МПЗУ)

Во многих видах ПЗУ элементом памяти является проводник – перемычка. Соединением её с лог. «0» или лог. «1», можно подавать на выход разряда ШД соответствующее значение сигнала. Перемычки могут быть изготовлены в кристалле полупроводника в виде резисторов, диодов или транзисторов.

Программирование ПЗУ заключается в формировании перемычек в соответствующих элементах памяти.

Программирование масочных ПЗУ (МПЗУ) производится на заводе-изготовителе путём изготовления трафарета («маски»). Для каждого типа микросхем изготавливается своя маска, отсюда и название данного типа ПЗУ.

Программирование МПЗУ производится однократно и перепрограммирование её невозможно. Микросхемы масочных ПЗУ обозначаются буквами РЕ, например – 155РЕ21.

Микросхемы МПЗУ в принципе не позволяют каким-либо образом изменить хранящуюся в них информацию. Это является и достоинством, так как делает хранение информации более надёжным, и недостатком – так как потребитель не может внести в память свою информацию.

Обычно МПЗУ используют в качестве источника стандартных функций, например: кодов русского, латинского алфавита, арифметических знаков и цифр, других символов, некоторых функций (например, тригонометрических) и даже простых операционных систем. То есть. Другими словами, — информации, которая не является уникальной и может быть использована многими пользователями.

Возможно изготовление маски по заказу потребителя, но в этом случае цена её будет существенно выше.

Существуют модификации некоторых типов микросхем МПЗУ. В этом случае, они называются, например:

К568РЕ1-0001, К568РЕ1-0002 и т. д.

 

Глава 2 Программируемые ПЗУ (ППЗУ)

 

Микросхемы программируемых ПЗУ по принципу построения и функционирования аналогичны масочным ПЗУ, но имеют существенное отличие в том, что допускают программирование на месте своего применения пользователем. Технические средства для программирования этой операции достаточно просты и могут быть построены самим пользователем. Это обстоятельство в сочетании с низкой стоимостью и доступностью микросхем ППЗУ обусловило их широкое распространение в радиолюбительской практике. Выпускаемые отечественной промышленностью микросхемы ППЗУ в большинстве своем изготовлены по ТТЛШ технологии, и среди них преобладающее положение занимает серия К556.

Функциональный состав серии включает микросхемы емкостью до 64 Кбит со словарной 4- и 8-разрядной организацией с временем выборки 45-85 нс, и уровнем потребляемой мощности 0.6 — 1 Вт.

Небольшая часть микросхем ППЗУ выполнена по другим технологиям ИИЛ (KS41), n-МДП (К565), ЭСЛ (К500 К1500), КМДП (К1623). Микросхемы серии К1623 отличаются самым низким уровнем энергопотребления, но по быстродействию они существенно уступают микросхемам К556 серии. Для микросхем ППЗУ всех серий, кроме К500, К1500, К565, характерны такие свойства, как единое напряжение питания + 5 В, наличие входных и выходных ТТЛ уровней напряжения лог. нуля (0.4 В) и лог. единицы (2.4 В).

Пример микросхемы ППЗУ 556РТ16 ёмкостью 8Кх8 показан на рисунке. 2.

 

  

 Not Supported

 

  

Уровень сигнала в ячейке памяти, как и в МПЗУ, задаётся перемычкой. Перемычки могут быть изготовлены из следующих материалов:

— титан – вольфрам

— силиций платаны

— нихром

— поликристаллический кремний.

На рисунке 3 показан пример элемента памяти. В данном случае наличие перемычки означает лог. «0», т.к. она соединена с общим проводом, а отсутствие перемычки соответственно означает лог. «1».

   Not Supported

  

Программирование ПЗУ

 

В исходном состоянии в микросхеме имеется все перемычки, т.е. записаны все нули.

Операция программирования заключается в разруше-нии (пережигании) части плавких перемычек на поверхности кристалла импульсами тока амплитудой 30 — 50 мА в ячейках, в которых нужно изменить исходное состояние.

Пережигание происходит в соответствии с таблицей истинности, путём подачи более высокого напряжения U = 10 – 12В. В. Это в чём-то сходно с перегоранием предохранителей при возрастании тока выше допустимого значения.

Часто ППЗУ называют однократно программируемы-ми. Из принципа действия их понятно, что программировать их можно сколько угодно раз, но каждый раз пережигая новые перемычки, в то время, как восстановить их уже нельзя.

Некоторые микросхемы при поставке могут содержать несколько бит с уже изменённой информацией. Причиной этого является проверка микросхем на заводе на программируемость при изготовлении. Эти ячейки указываются в паспорте.

Пережигание перемычек производится по одной, чтобы не допустить перегрева и выхода из строя микросхемы.

Для программирования ПЗУ используются специальные устройства, называемые программаторами. В настоящее время существует много промышленных и радиолюбительских устройств для программирования ПЗУ.

После программирования нужно проверить информацию в ПЗУ, так как не все нужные перемычки могут быть разрушены. Для различных типов ППЗУ вероятность правильного программирования (коэффициент программирования) составляет:

Кпр. = 0,65 – 0,9

При необходимости – производят повторное программирование. Возможно использование форсированного режима с использованием импульсов большей длительности (но не амплитуды!)

Часто для повышения надёжности запрограммированное ППЗУ подвергают термотренировке – выдерживанию в термостате в течение определённого времени при высокой температуре (например – 168 час. при температуре +125 градусов). Если после термотренировки обнаружены ошибки – производят повторное программирование.

Нужно учитывать возможность восстановления перемычек, что на первый взгляд кажется невероятным. Причиной этого являются сложные явления миграции электронов на микроэлектронном уровне. Этого явления не происходит в перемычках из силицида платины или поликристаллического кремни.

  

Глава 3 Программируемые логические матрицы

 

Разновидностью ППЗУ являются программируемые выжиганием плавких перемычек логические матрицы (ПЛМ).

 

 Not Supported

 

 Обычно они выполнены по ТТЛШ-технологии, например, К556РТ1 и К556РТ2 (рисунок 4), имеющие идентичные характеристики и конструктивные параметры, но отличающиеся типом выхода: у первой из микросхем выход с открытым коллектором, у второй на три состояния.

Микросхемы ПЛМ также обозначаются буквами РТ и их условное изображение похоже на ИМС ППЗУ. Вместе с тем их устройство существенно отличается от ППЗУ.

Рассмотрим устройство ПЛМ на примере ИМС 556РТ2 (рисунок 4). ИМС 556РТ2 выполнена на основе технологии ТТЛШ. Уровни напряжений соответствуют уровням ТТЛШ. Uпит = +5В.

Основу ПЛМ составляют матрицы И и ИЛИ. Матрица И выполняет операции конъюнкции над 16 входными переменными и их инверсными значениями, которые поступают на строчные шины матрицы. Требуемые логические произведения формируют на шинах столбцов путем выжигания ненужных перемычек между строками и столбцами (рисунок 5 — перемычки указаны «зигзагами»).

Число столбцов 48, следовательно, на выходе матрицы И можно получить до 48 логических произведений, в каждое из которых может входить до 16 переменных и их инверсий.

Матрица ИЛИ выполняет операцию дизъюнкции над логическими произведениями, сформированными матрицей И. Число выходов этой матрицы 8, поэтому она способна сформировать до восьми логических сумм, в каждую из которых может входить до 48 логических произведений. Таким образом, возможности ПЛМ характеризуются числом точек коммутации, равным в данном примере 1920.

 Not Supported

Проанализировав схему, легко можно убедиться, что каждый выходной разряд D0, D1, …D7 реализует 1 минтерм, а выходы И поданы на элемент ИЛИ. Кроме того, при помощи управляемых инверторов на элементах ИСКЛ. ИЛИ, выходной сигнал может инвертироваться (при отсутствии перемычки, т.е. при подаче «0» на 2-й вход).

Чтобы реализовать любую функцию, необходимо иметь 216=65536 элементов И (число строк в таблице истинности). В 556РТ2 есть только 48, т.е. в таблице истинности может быть не более 48 единиц (или нулей – учётом возможности инверсии на выходе). Т.о. ПЛМ не позволяет реализовать любую функцию.

В определённом смысле ПЗУ устроено аналогично: входные инверторы и элементы И образуют дешифратор адреса, и элемент ИЛИ является как бы элементом памяти. Разница в том, что в ПЗУ реализован полный дешифратор, реализующий все 216 минтермов, следовательно, позволяющий реализовать любую функцию.

Очевидно, что при одинаковом числе входных перемен-ных (т.е. разрядов адреса), ПЛМ намного проще, чем ПЗУ.

Приведённая схема является сильно упрощенной, на ней не показаны некоторые узлы, обеспечивающие возможность программирования. Программировать ПЛМ намного сложнее, т.к. необходимо обеспечить несколько уровней программирования – для элементов И, ИЛИ и ИСКЛ. ИЛИ.

Программирование матрицы ИЛИ выполняется так же, как и матрицы И, путем выжигания «ненужных» перемычек. На выходах матрицы ИЛИ размещены программируемые усилители, которые в зависимости от состояния перемычки могут передавать значение выходной функции в прямой или в инверсной форме представления. Для программирования служат встроенные в микросхему узлы программирующей части, которые возбуждает разрешающий сигнал PR. Программирование осуществляют способом, аналогичным программированию ППЗУ, в три этапа: вначале программируют матрицу И, затем матрицу ИЛИ, затем выходные инверторы.

Итак, при одинаковом числе входных переменных, достоинством ПЛМ по сравнению с ППЗУ является более простая схема, а значит и меньшая цена на ИМС. Недостатки – невозможность реализовать любую функцию и сложности при программировании.

Следует заметить, что необязательно каждый входной разряд должен зависеть от всех входных переменных. Например, один разряд является функцией от А0 – А5, А8 , другой от А3, А10 – А12 и т.д. Т.е. используя одну микросхему 556РТ2, можно реализовать несколько более простых функций, каждая из которых зависит от нескольких переменных.

В последние годы в связи с удешевлением микросхем, ПЛМ получают всё большие перспективы при проектиро-вании. Многие формы быстро и недорого изготавливают ПЛМ по заданной таблице истинности. Используют одну или несколько микросхем ПЛМ, можно реализовать любые комбинационные схемы или их комбинации вместо построения схемы из нескольких стандартных ИМС.

Широко применяют ПЛМ, программируемые по способу заказного фотошаблона на заводе-изготовителе. Такие ПЛМ являются разновидностью масочных ПЗУ. Они включены, в частности, в состав многих микропроцессорных комплектов в качестве ПЗУ микрокоманд. На основе ПЛМ можно строить самые различные цифровые устройства комбинационного типа.

 

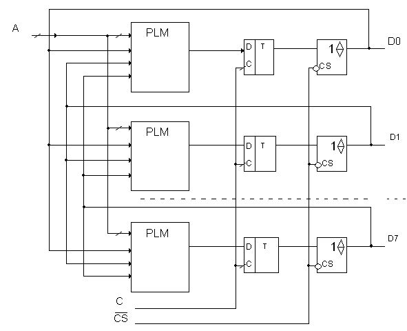
Глава 4 Программируемая матричная логика (ПМЛ)

 

Следует заметить, что не всегда в литературе различают понятия ПЛМ и ПМЛ, объединяя оба типа этих устройств под термином ПМЛ. Тем не менее, ПМЛ имеет значительные отличия. В качестве примера рассмотрим микросхему ПМЛ 1556XП4, изображенную на рисунке 6:

Различные микросхемы ПМЛ имеют различную структуру и возможности.

В большинстве случаев ПМЛ представляет собой несколько 1-разрядных ПМЛ, охваченных обратными связями (ОС). Именно наличие ОС является характерной особенностью ПМЛ и, позволяет строить не только комбинационные схемы, но и различного рода автоматы, выполняющие последовательность операций (функций).

 Not Supported

 

 

 

 

 

 

 

   Из-за ОС обязательно использование регистра (динамического). Наличие З-го состояния на выходе позволяет подавать сигналы на шину D. Во многих случаях ПМЛ имеют только часть двунаправленных разрядов данных, чтобы иметь возможность подавать сигналы только на некоторые разряды данных D.

.

Глава 5 Репрограммируемые ПЗУNot Supported

 

Репрограммируемые ПЗУ (РПЗУ) допускают многократное программирование пользователем. Число циклов программирования лежит в пределах 20 – 10000 и более. По англ. – EPROM (Erasable PROM., т.е. «стираемые ПЗУ»).

РПЗУ существует несколько типов:

— СППЗУ (EPROM) – стираемые программируемые ПЗУ;

— ЭСППЗУ (EPROM) – электрически стираемые программируемые ПЗУ;

— FLASH – память.

  

5.1 Электрически стираемые ППЗУ

В ЭСППЗУ возможно стирание и программирование ПЗУ электрическими сигналами. В них используется элементы памяти на МОП — транзисторах, обладающие тем свойством, что пороговое напряжение отпирания транзистора может изменяться.

Элемент памяти со структурой nМНОП показан на рисунке 8).

Not Supported

 

 

 

 

Обозначения: С — сток, И – исток, З – затвор, М – металл, О – оксид кремния, П – полупроводник,. Н — нитрид кремния.

Элемент памяти со структурой ЛИЗМОП. (МОП-транзистор с лавинной инжекцией заряда, рисунке 9)

 

Not Supported

 

 

 

 

ПЗ – плавающий затвор

Оба эти ЭП представляют собой разновидности МОП-транзисторов и работают сходным образом. В области Н (или на плавающем затворе – ПЗ) могут скапливаться электроны. Например, при подаче на затвор импульса достаточно большого положительного напряжения, электроны из области подложки под действием электрического поля скапливаются в области затвора. При этом происходит обеднение канала электронами, что приводит к увеличению порога отпирания транзистора, и его проходная характеристика смещается вправо.

При подаче отрицательного импульса происходит вытеснение электронов в область подложки, и характеристика смещается влево.

Для изменения порогового напряжения необходимо использовать импульсы большого напряжения (20-24 В). При обычном считывании характеристика транзистора не меняется. При чтении на затвор подаётся какое-то среднее напряжение считывания — Uсчит. В зависимости от места скопления электронов считывается значение «0» или «1» (рис 10)

 Not Supported

 

Электрическая схема элемента памяти показана на рисунке 11.

ЭП – транзистор VT1 (обратите внимание на обозначение транзистора nМНОП), а VT2 – транзисторный ключ, отпираемый при выборе соответствующего столбца матрицы элементов памяти.

 

 Not Supported

 

 

Из сказанного выше следует, что для стирания и программирования информации необходимо применять напряжение 20-30 В различных полярностей. Однако используются физические принципы позволяющие применять напряжение программирования +20-24 В.

Микросхемы рМНОП требуют 2-х источников питания: +5 и -20В, поэтому получили гораздо меньшее распространение.

Микросхемы ЭСППЗУ обозначается буквами РР. Рассмотрим одну их них на примере 558РР3. (рисунок 12).

Ёмкость микросхемы: 8Кх8

 

Not Supported

 

 

 

 

 

 

 

 

 

 

 

 

 

Микросхема 558РР3 – 3У синхронного типа: запись во внутренний регистр адреса происходит по заданному фронту сигнала CS (см. «Статическое ОЗУ методического пособия «Оперативное запоминающее устройство)).

OE =0 — разрешение чтения данных,

ОЕ =1 — на выходе 3-е состояние.

При необходимости записи новых данных, сначала производят стирание всей информации, затем — запись.

Режим стирания:

Стирание происходит сразу для всей информации. При этом во всех элементах памяти устанавливается «0». Временная диаграмма показана на рисунке 13. Для стирания необходимо подать «0» на вход ER (Erase — стирание).


Режим записи:

 Not Supported

Запись производится в каждый элемент памяти., при этом в него записывается «1». Для записи необходимо подать на вход программирования (PR).логический «0». Временная диаграмма показана на рисунке 14:

Запись установленного адреса ячейки памяти производится задним фронтом сигнала CS, а запись данных – задним фронтом сигнала ОЕ.

Пример: Сколько времени необходимо, чтобы записать данные во все ячейки данной микросхемы?

8К= 8192 х 5мс = 40,96 с = 41 с.

  

 

 Not Supported

 

 

5.2 Стираемые ППЗУ

 

Стираемые ППЗУ (СППЗУ) во многом аналогичны ЭСППЗУ. В них используются элементы памяти ЛИЗМОП. Запись аналогична микросхемам ЭСППЗУ.

Основные отличия заключаются в том, что стирание производится ультрафиолетовым излучением (УФ). Для этой цели в микросхеме имеется прозрачное окно. Для стирания информации необходимо поместить микросхему на расстояние нескольких сантиметров от УФ лампы. Для стирания информации необходимо примерно 30 минут. Затем окошко обычно заклеивают во избежание попадания света. После стирания в ППЗУ записаны все «1». Некоторые (редкие) СППЗУ стираются рентгеновским излучением.

В качестве примера рассмотрим ИМС 573РФ8 (микросхемы ППЗУ с УФ стиранием обозначаются буквами РФ).

Данная микросхема является асинхронным ЗУ (условное изображение показано на рисунке 15).

CS = «0» – разрешение записи.

ОЕ = «0» – разрешение чтения.

В обычном режиме считывания – ОЕ = CS = «0».

   

Not Supported

 

 

 

 

 

 

 

 

 

 

 

 

Достоинством ППЗУ с УФ стиранием является, прежде всего, более простая технология. Такие микросхемы ПЗУ являются самыми дешёвыми. В определённом смысле, достоинством является и то, что для стирания не требуется специальных схем и сигналов управления.

В остальном СППЗУ хуже ЭСППЗУ по следующим причинам:

1. Из-за попадания солнечного света или люминесцентного излучения возможно изменение информации. По этой причине СППЗУ с УФ стиранием являются неимение надёжными. Во многих случаях (например в военной или другой специальной технике) использование их в серийных изделиях запрещено. Часто их используют при проектировании в процессе отладки (как наиболее дешёвые), а в изделиях устанавливают ППЗУ или МПЗУ, имеющие аналогическую разводку контактов.

2. СППЗУ имеют значительно меньшее число циклов программирования (20 — 100) в отличие от ЭСПЗУ (свыше 10000).

3. СППЗУ не допускают избирательного стирания информации в отличии от некоторых ЭСППЗУ.

4. СППЗУ имеет значительно большее время стирания.

5. СППЗУ не допускают перепрограммирование без изъятия из контактного устройства.

5.3 FLASHпамять

FLASH-память – наиболее современный тип полупроводниковых ЗУ, появился в 1989 г. Ежемесячный прирост её производства составляет 200%. Возможно, она вскоре вытеснит остальные виды ЗУ на микросхемах.

FLASH-память является разновидностью ЭСППЗУ, но использует особую технологию, позволяющую стирать информацию блоками, а не всю целиком, что делает процесс записи значительно более эффектным. FLASH-память использует ЭП с плавающим затвором. При стирании в микросхему (блок) заносится все «1».

Последние поколения FLASH-памяти позволяют производить запись, используя Uпрог = +5В. При появлении микросхем FLASH-памяти, позволяющих стирать и записывать информацию в отдельных ЯП., они практически будут работать как ОЗУ, но с возможностью хранения информации при отключении питания.

Многие микросхемы FLASH-памяти (а также некоторые DRAM) имеют встроенные автоматы (программируемые контроллёры), позволяющие упростить интерфейс работы с ними и использовать минимум управляющих сигналов.

Рассмотрим распространяемые микросхемы FLASH-памяти – 28FXX, с ёмкостью (256К – 1М) х (8-16). Например: ИМС 28F008 1Мх8 (рисунок 16). Микросхема имеет 40 контактов.

Некоторые особенности и сигналы

— PWD — power down – режим микропотребления. Сигнал PWD=«0» прерывает любой режим, ШД — в 3 состоянии.

— CE – Chip Enable – аналог сигнала CS.

Not Supported

 

 

 

 

 

 

 

 

 

 

 

Рассмотрим таблицу истинности:

PWD

CE

OE

WE

D

Режим

0

X

X

X

Z

микропотребление

1

1

X

X

Z

хранение

1

0

1

1

Z

хранение

1

0

0

1

D0

чтение

1

0

1

0

D1

запись

Микросхема имеет 16 блоков по 64Кх8.

Сигналы управления СЕ, ОЕ, WE соответствуют обычному микропроцессорному интерфейсу, используемому для работы с ОЗУ. При помощи блока CUI (Command Unit Interface – командный интерфейс пользователя) эти сигналы преобразуются в сигналы, управляющие работой ИМС.

Работой микросхемы управляет внутренний автомат записи WSM (Write State Machine). Микросхема имеет свою систему команд и, фактически является контроллером. Под записью (смотри таблицу истинности) в данном случае подразумевается запись команд и данных.

Сигнал RY/BY (READI / BUSSY) равен «0», когда WSM выполняет какие-то операции и в режиме микропотребления.

 

Заключение

 

Микросхемы ПЗУ играют большую роль в цифровой вычислительной технике и непрерывно совершенствуются. Постоянно появляются новые, более совершенные микросхемы ПЗУ, имеющие большую память и быстродействие. Особенно это касается FLASH-памяти. В настоящем пособии приведены не самые современные микросхемы, которые, тем не менее, хорошо показывают принцип действия и программирование микросхем ПЗУ, что легко позволяет понять работу любых микросхем ПЗУ.

Список использованной литературы

 

1. Пухальский, Новосельцева «Цифровые устройства».

2. Аваев Н. А., Наумов Ю. Е., Фролкин В. Т. «Основы микроэлектроники: Учебное пособие для ВУЗов.» — М.: Радио и связь, 1991.

3. Лебедев О. Н. «Применение микросхем памяти в электронных устройствах.» М, : Радио и связь, 1994.

4. Новиков Ю. В. «Основы цифровой схемотехники» -М.: «Мир» 2001

Загрузка...