Его называют также триггером со счетным входом. Он имеет один управляющий вход Т и два выхода Q и Q. Информация на выходе такого триггера меняет свой знак на противоположный при каждом положительном (или при каждом отрицательном) перепаде напряжения на входе. В сериях выпускаемых микросхем Т-триггеров, как правило, нет. Но триггер такого типа может быть создан на базе тактируемого D-триггера, если его инверсный выход соединить с информационным входом (рис. 15).
Как видно из диаграммы на (рис. 15) частота сигнала на выходе Т-триггера в два раза ниже частоты сигнала на входе, поэтому такой триггер можно использовать как делитель частоты и двоичный счетчик.
В сериях выпускаемых микросхем есть также универсальные JK-триггеры. При соответствующем подключении входной логики JK-триггер может выполнять функции триггера любого другого типа. Особеность этих тригеров является исключение в их состоянии запрещеного состояния входов, что присутвет в RS- триггере.
СЧЕТЧИКИ
Несколько триггеров можно объединить в регистр — узел для хранения чисел с двоичным представлением цифр разрядов. Основными видами регистров являются параллельные и последовательные (сдвигающие).
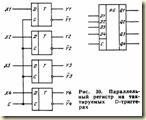
В параллельном регистре на тактируемых D-триггерах (рис.30) код запоминаемого числа подается на информационные входы всех триггеров и записывается в регистр с приходом тактового импульса. Выходная информация изменяется с подачей нового входного слова и приходом следующего импульса записи. Такие регистры используют в системах оперативной памяти. Число триггеров в них равно максимальной разрядности хранимых слов.
![]()
Схема последовательного регистра и временная диаграмма, иллюстрирующая его работу, приведены на рис. 31. По приходу тактового импульса С первый триггер записывает код Х (0 или 1), находящийся в этот момент на его входе D, а каждый следующий триггер переключается в состояние, в котором до этого находился предыдущий. Так происходит потому, что записываемый сигнал проходит со входа D триггера к выходу Q с задержкой, большей длительности фронта тактового импульса (в течение которого происходит запись). Каждый тактовый импульс последовательно сдвигает код числа в регистре на один разряд. Поэтому для записи N-разрядного кода требуется N тактовых импульсов. На диаграмме видно, что четырехразрядное число 1011 было записано в соответствующие разряды регистра (1—Q4, 0— Q3, 1—Q2, 1—Q1) после прихода четвертого тактового импульса. До прихода следующего тактового импульса это число хранится в регистре в виде параллельного кода на выходах Q4—Q1. Если необходимо получить хранимую информацию в последовательном коде, то ее снимают с выхода Q4 в моменты прихода следующих четырех импульсов (5—9). Такой режим называется режимом последовательного считывания.
Очень удобны универсальные регистры, позволяющие производить как последовательную, так и параллельную запись и считывание. Такие регистры можно использовать в качестве преобразователей параллельного кода в последовательный и обратно. Например, микросхема К155ИР1—четырехразрядный универсальный сдвиговый регистр (рис.32). Регистр работает в режиме сдвига по тактовым импульсам, поступающим на вход С1, если на входе V2 имеется напряжение низкого уровня. Вход VI служит для ввода информации в первый разряд регистра в этом режиме. Если же на входе V2 напряжение высокого уровня, то регистр производит параллельную запись информации со входов D1—D4 по импульсам синхронизации, поступающим на вход С2.
